Profilrohr für Druckluftleitungen

Rundrohr Profilrohr Profilrohr Profilrohr Profilrohr Profilrohr Profilrohr Profilrohr Profilrohr Profilrohr Profilrohr Profilrohr Profilrohr Profilrohr Profilrohr Profilrohr Auslassplatten Auslassplatten Auslassplatten Auslassplatten Auslassplatten L-Verbinder Ausdehner 3er Knoten 3er Knoten 5er Knoten Gerader Verbinder Profilrohrverbindung Profilrohrverbindung Profilrohrverbindung Endstopfen Variokugel Variokugel Wand-/Deckenhalter Wand-/Deckenhalter Wand-/Deckenhalter Wand-/Deckenhalter Verteiler

Profilrohr Semi

Die neuen Aluminiumprofilrohre Semi bilden die ideale Ergänzung zu unserem Profilrohrsystem Profi und dem Rundrohrsystem Eco. Das Profilrohrsystem Semi kann mit allen Profilverbindern der entsprechenden Rohrgröße kombiniert werden. Somit kann zwischen den Rohren Profi, Semi und Eco gewechselt werden. Die Profilrohre Semi können auch als eigenständiges System verwendet werden und bieten ein gutes Preis-Leistungs-Verhältnis.

Lieferbar sind die Profilrohre Semi mit einem Innendurchmesser von 25, 38 und 50mm in natur oder eloxierter Oberfläche.

Technische Daten

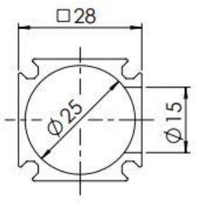
Aluminium Profilrohr Semi Ø 25

Abmessungen
[mm]
Gewicht
[Gramm]
Oberfläche Bestellnummer
B = 28
D = 25
D1 = 15

D1 = maximaler
Bohrdurchmesser
0,611 natur

eloxiert
025 040 0000

025 040 0001

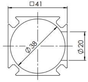
Aluminium Profilrohr Semi Ø 38

Abmessungen
[mm]
Gewicht
[Gramm]
Oberfläche Bestellnummer
B = 41
D = 38
D1 = 20

D1 = maximaler
Bohrdurchmesser
1,011 natur

eloxiert
038 040 0000

038 040 0001

Aluminium Profilrohr Semi Ø 50

Abmessungen
[mm]
Gewicht
[Gramm]
Oberfläche Bestellnummer
B = 53
D = 50
D1 = 20

D1 = maximaler
Bohrdurchmesser
1,429 natur

eloxiert
050 040 0000

050 040 0001
Verwendung von Cookies
Um unsere Webseite für Sie optimal zu gestalten, verwenden wir Cookies auch von Drittanbietern.
Durch die weitere Nutzung der Webseite stimmen Sie der Verwendung von Cookies zu. Weitere Informationen zu Cookies erhalten Sie in unserer Datenschutzerklärung. Zustimmen
×